55TDY系列
2025-06-07
型号 规格 | 电压 | 相数 | 频率 | 同步 转速 | 输入 电流 | 输入 功率 | 最大 转矩 | 额定转矩 | 启动 转矩 | 负载 惯量 | 转子 惯量 | 移相 电容 | 移相 电阻 | 电机 重量 |
Type | V | Hz | r/min | A | W | mN-m | mN-m | mN-m | g-cm2 | g-cm2 | μF/V | Ω/W | kg | |
55TDY060 | 24 | 1 | 50 | 60 | 0.7 | 16 | 360 | 300 | 200 | 600 | 120 | 45/50 | 0.7 | |
55TDY115 | 24 | 1 | 50 | 115 | 0.7 | 16 | 300 | 240 | 180 | 600 | 120 | 45/50 | 0.7 | |
55TDY060 | 220 | 1 | 50 | 60 | 0.075 | 16 | 360 | 300 | 200 | 600 | 120 | 0.47/400 | 1k/8 | 0.7 |
55TDY115 | 220 | 1 | 50 | 115 | 0.075 | 16 | 300 | 240 | 180 | 600 | 120 | 0.47/400 | 1k/8 | 0.7 |
55TDY060-A1 | 220 | 1 | 50 | 60 | 0.05 | 12 | 300 | 260 | 150 | 450 | 80 | 0.28/400 | 0.5 | |
55TDY300 | 220 | 1 | 50 | 300 | 0.09 | 18 | 180 | 150 | 100 | 600 | 180 | 0.47/400 | 1k/8 | 0.7 |
55TDY500-A3 | 220 | 1 | 50 | 500 | 0.075 | 16 | 80 | 65 | 35 | 600 | 180 | 0.8/400 | 0.7 | |
55TDY060 | 220/380 | 3/4 | 50 | 60 | 0.075/0.05 | 16 | 420 | 380 | 220 | 600 | 120 | 0.7 | ||
55TDY115 | 220/380 | 3/4 | 50 | 115 | 0.075/0.05 | 16 | 320 | 280 | 160 | 600 | 120 | 0.7 |
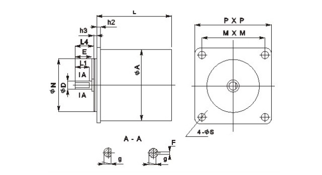
外形和安装尺寸

外形和按装尺寸
型号 | A | N | D | E | L4 | h2 | h3 | P | M | S | L | g | L1 | f |
偏差 | h12 | h7 | f7 | h12 | Js18 | h10 | N9 | |||||||
尺寸 | 55 | 42 | 6 | 16 | 18 | 7 | 3 | 58 | 48 | 4.5 | 65 | 5 | 12 | 3 |